-
Jake MillerMontaj hattımızdaki kritik bir VFD değişimi için inverters-vfd.com'a bir şans verdik. Ürün sadece mükemmel bir eşleşme olmakla kalmadı, aynı zamanda önceki tedarikçimizden daha uygun fiyatlıydı. İstikrarı, sık sık yaşanan arıza sorunlarımızı ortadan kaldırdı. Olağanüstü bir değer ve endüstriyel bileşenler için güvenilir bir ortak. -
Sarah Cheninverters-vfd.com'daki teknik ekip paha biçilmezdi. Servo motor için uygulamamızı anlattım ve üstün dinamik tepkiye sahip bir model önerdiler. Kurulum sorunsuzdu ve hassasiyet döngü sürelerimizi iyileştirdi. Uzman rehberliği ve yüksek performanslı bir ürün! -
David "Big D" KowalskiÇoklu PLC üniteleri ve HMI'lar için verdiğimiz sipariş, hatasız bir şekilde tamamlandı ve şaşırtıcı bir hızla gönderildi. Bunları entegre ettiğimizden beri, kontrol sistemimizin iletişimi daha sağlam. Lojistikten ve bu bileşenlerin sağlam performansından etkilendik. Baştan sona sorunsuz bir deneyimdi. -
Emily WhiteHassas bir test ortamı için düşük gürültülü bir mil motoruna ihtiyacımız vardı. Satın aldığımız ünite fısıltı sessizliğinde çalışıyor ve tutarlı tork sağlıyor. Kalitesi, kullandığımız bazı büyük markaları geride bırakıyor ve maliyeti de çok daha düşük. Özel uygulamalar için olağanüstü.
VFD Değişken Frekans Sürücüsü IGBT sürücü kontrol kararlılık tasarımı vektör frekans inverteri
Ücretsiz numuneler ve kuponlar için bana ulaşın.
Naber:0086 18588475571
wechat: 0086 18588475571
Skype: sales10@aixton.com
Eğer herhangi bir endişeniz varsa, 24 saat online yardım sağlıyoruz.
x| Güç aralığı | 0.4kW~500kW | Giriş Gerilimi Uin | 200V (-%15) ~ 240V (+%10) 1PH/3PH 380V (-%15) ~ 480V (+%10) 3PH 500V 500V (-%15) ~ 690V (+%10) 3PH |
|---|---|---|---|
| Giriş frekansı | 50Hz/60Hz±5% | İletişim arayüzü | RS485, RJ45 |
| İletişim Protokolü | Modbus RTU'su | Nem | <%90 RH, Yoğuşmasız |
| Çalışma Sıcaklığı | -20℃~+40℃ (40℃~55℃'de derece düşürme ile çalışma) | ||
| Vurgulamak | vektör frekans dönüştürücü VFD,IGBT sürücü kontrolü VFD,IGBT vektör frekans invertörü |
||
VFD Değişken Frekans Sürücüsü IGBT sürücü kontrol kararlılık tasarımı vektör frekans inverteri
Vektör Frekans Değiştiricisi Ürün Tanımı
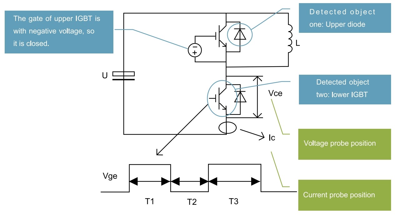
Akıllı IGBT modülü ısı koruma tasarımı
Dahili dinamik bağlantı sıcaklık modeli, Monitor
Gerçek zamanlı olarak IGBT bağlantı sıcaklığı.
Bireysel kısa devre ve koruma yoluyla devre
Teknoloji, sistem güvenliğini korumak.
Aşırı akım korumasını geri al. Aşırı akımı durdur.
Adaptatif IGBT tahrik kontrolü istikrar tasarımı
Güvenilir kendiliğinden geliştirilmiş IGBT modülü istikrar tasarım platformu.
IGBT açık/kapalı işleminde ana parametreleri elde edebilen, fonksiyonu değerlendirebilen ve
IGBT sürücü kartının performansı.
Ürün gücünün tasarımı için IGBT modülü tasarımının makul olduğunu değerlendirebilir
Sistem güvenli ve güvenilir, güç sisteminin istikrarlı çalışmasını garanti eder.
![]()
![]()
![]()
Vektör Frekans Değiştiricisi Ürün Özellikleri
-
Geliştirilmiş vektör kontrolü: Değiştiricide asinkron motorların hassas hız ve tork kontrolünü sağlayan gelişmiş açık döngü ve kapalı döngü vektör kontrol teknolojisi kullanılır.Bu, çeşitli çalışma koşullarında optimum performans ve verimliliği sağlar.- Hayır.- Hayır.
-
Genişletilebilirliği ile Kompakt Tasarım: Kompakt boyutuna rağmen, HV300 inverteri, farklı endüstriyel kurulumlara sorunsuz entegre olmayı sağlayan artan genişletilebilirlik seçenekleri sunar.Modüler tasarımı, özel uygulama ihtiyaçlarına kolayca özelleştirilmesini ve uyarlanmasını sağlar.
-
Geniş İletişim Yetenekleri: Dönüştürücü, verinin verimli değişimini ve sistem entegrasyonunu kolaylaştıran RS485, Modbus ve CAN dahil olmak üzere birden fazla iletişim protokolünü destekler.Bu diğer cihazlar ve kontrol sistemleri ile sorunsuz iletişim mümkün kılar.
-
Kullanıcı Dostu Arayüzü: HV300 inverter, net bir ekran ve sezgisel denetimlerle kullanıcı dostu bir arayüzüne sahiptir.Basit navigasyon ve parametre ayarları, kullanıcılar için işletim ve yapılandırmayı basit ve uygun hale getirir.
-
Yüksek Güvenilirlik: Güvenilirliğe odaklanarak inşa edilen HV300 inverteri, zorlu endüstriyel ortamlarda uzun süreli performans ve dayanıklılık sağlamak için sıkı testlere tabi tutulur.Voltaj dalgalanmalarına dayanacak şekilde tasarlanmış., sıcaklık değişimleri ve diğer zorlu koşullar.
Değişken Frekans Dönüştürücü VFD Ürün Teknik Spesifikasyonu
|
Spesifikasyon |
Değer |
|---|---|
|
Giriş Voltajı |
200V (-15%) ~ 240V (+10%) 1PH/3PH |
|
Girdi Sıklığı |
50Hz/60Hz±5% |
|
Maksimum Tedarik dengesizliği |
% ≤3 |
|
Çıkış Voltajı |
0V ~ Uin |
|
Çıktı Sıklığı |
0Hz ~ 300Hz |
|
Güç aralığı |
0.4kW ~ 500kW |
|
Montaj Yöntemi |
Kabin montajı, panel üzerinden, yüzey montajı |
|
Girme Koruması |
IP20, IP21 (ifaki bir cihaz ekleyerek) |
Değişken Frekans Dönüştürücü VFD Ürün Tipik Uygulama
Petrol Alanı Pompalama Birimi:
-
Yer: Petrol sahası
-
Güç: 22kW
-
Verimlilik: Şebekeyi ve ekipmanları aşırı akım sorunlarından korurken% 30'dan fazla önemli enerji tasarrufu elde etmek.
-
Ana Avantajlar: Zorlu şebeke koşullarına sorunsuz uyum sağlamak için çok yönlü bir gerilim aralığı; Düşük başlangıç akımı ile pürüzsüz hız kontrolü, şebekeye minimum etkiyi sağlar;Dahili EMC filtresi ve standart yapılandırılmış DC reaktörü ile donatılmıştır, radyasyonu azaltır.
![]()
Çelik Fabrikası Rolü:
-
Yer: Tianjin çelik fabrikası
-
Güç: 22 kW, 30 kW, 37 kW, 45 kW
-
Performans: %1'in altındaki bir hata oranıyla olağanüstü operasyonel istikrar sağlar.
-
Temel Avantajları: Güvenilir bir performans sağlayan, ters hızlanma ve yavaşlama işlemlerini yönetmek için tasarlanmıştır; Uzun süreli sürekli çalışmayı destekleyebilir;Yüksek sıcaklıklara dayanacak ve çelik atölyelerinde sıkı koruma gereksinimlerini karşılayacak şekilde inşa edilmişProfibus DP ağına entegrasyonu kolaylaştırır.
![]()
Çelik Fabrikası soğuk testere:
-
Konumu: Tangshan çelik fabrikası
-
Güç: 450kW
-
Performans: Süreç taleplerini karşılamak için istikrarlı hız kontrolünü koruyan yüksek aşırı yük işlevini sağlar.
-
Ana Avantajlar: Ağır görevli operasyonlar için olağanüstü aşırı yük kapasitesi; Hızlı tepki ve yüksek hızlarda bile hassas hız kontrolü;Yüksek sıcaklıklara dayanacak ve çelik atölyelerinde sıkı koruma gereksinimlerini karşılayacak şekilde tasarlanmıştırProfibus DP ağına sorunsuz entegrasyonu destekler.
Değişken Frekans Değiştiricisi VFD Desteği ve Hizmetleri
Müşterilerin memnuniyetini sağlamak için olağanüstü teknik destek ve güvenilir satış sonrası hizmet sunmayı taahhüt ediyoruz.
-
Teknik Destek: Deneyimli ekibimiz ürün kurulumunda, yapılandırmasında ve sorun gidermesinde hızlı bir şekilde yardımcı olmak için hazırdır.Ürününüzün düzgün çalışmasını sağlamanın önemini anlıyoruz ve herhangi bir teknik sorunla karşılaştığınızda size yardımcı olmak için buradayız..
-
Belgelendirme ve Kaynaklar: Ürünlerimizi anlamanıza ve etkili bir şekilde kullanmanıza yardımcı olmak için kapsamlı ürün belgelendirme ve çevrimiçi kaynaklar sağlıyoruz.Belgelerimiz kullanıcı kılavuzlarını içerir., kılavuzlar, sık sorulan sorular ve ürün kullanımının ve bakımının çeşitli yönlerini kapsayan bilgi tabanları.
-
Eğitim: Ürünlerimizi etkili bir şekilde kullanma becerinizi artırmak için hazırlanmış eğitim programları sunuyoruz.Bu eğitim oturumları özel ihtiyaçlarınıza göre uyarlanabilir ve yerinde veya uzaktan yapılabilirAmacımız, ürün deneyiminizi optimize etmek için size bilgi ve beceriler kazandırmaktır.
-
Garanti ve Onarım: Ürünlerimiz, herhangi bir arıza veya kusuru kapsayan bir garanti ile birlikte gelir.Duraklama sürelerini en aza indirmeye öncelik veriyoruz ve ürününüzü mümkün olan en kısa sürede işlevsel hale getirmeyi hedefliyoruz..
-
Yedek parçalar: Bazen parçaların aşınma veya öngörülemeyen durumlar nedeniyle değiştirilmesi gerektiğini anlıyoruz.Gerçek yedek parça stoklarımız var.Bu, zamanında çözümler sunmamızı ve operasyonlarınızdaki herhangi bir kesintiyi en aza indirmemizi sağlar.
-
Müşteri Desteği: Telefon, e-posta ve çevrimiçi portallar dahil olmak üzere özel destek kanallarımız, sahip olabileceğiniz herhangi bir soruyu veya kaygıyı yanıtlamak için kullanılabilir.Müşteri destek ekibimiz çok duyarlıdır ve size ihtiyacınız olan yardımı sağlamaya kararlıdır..
Amacımız ürün deneyiminizi ve operasyonel verimliliğinizi optimize etmenizi sağlamaktır.Bizim değerli müşteri olarak memnuniyetini sağlamak için sağlam teknik destek ve güvenilir satış sonrası hizmet sunmak için gurur duyuyoruz.


